CERRADURA 203140HL LATONADO TESA

3103.0102 UdxCaja: 1 8414625107198

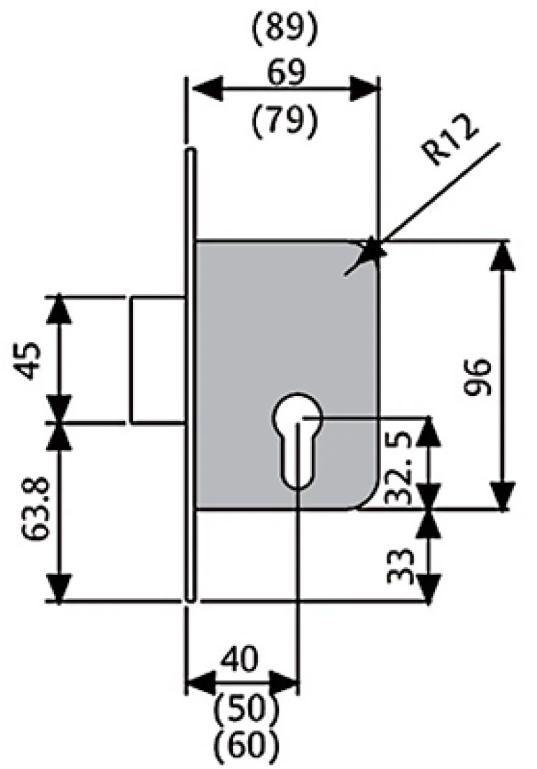
Características

  • Bombillo perfil europeo.
  • Entrada 40mm

La descripción aparecerá aquí...